START
_______________


Narzędzia

GALprog

Przetwornica StepUp

Przelotki układów DIP

Laminator do PCB

Wiertarka do PCB

Wytrawiarka PCB

Monitor LCD Multi

Programator ALL-07

Programator
Logical Devices
AllPro88


EPE IC TESTER
by Joe Farr


Programatory
RunFei RF-3148
Chipmaster6000
Minato1881XP


 

GALprog

"Minimal effort GAL programmer"

To moja wersja programatora GALi - tych najpopularniejszych - 16V8, 20V8 i 22V10.
Powstał z myślą głównie o projektach dla Atari. Oprogramowaniem jest GALblast.

To w zasadzie wszystko na ten temat. Poniżej zamieszczam schemat, pcb oraz pliki
oprogramowania i instrukcję obsługi tej wersji :)

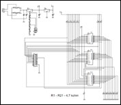
1. Schemat


2. Płytka


3. Fotografia złożonego układu - nie bawiłem się w upychanie elementów na płytce.
    Zastosowane złącze to DB25F - żeńskie mimo, że podłącza się sprzęt do portu
    drukarki. Konieczne jest wykonanie odpowiedniego kabla (męski-męski).



4. Plik ZIP z oprogramowaniem oraz schematem i pcb Eagle

GALprog.zip

5. Instrukcja obsługi istotna ze względu na to, że układ nie ma zabezpieczeń i GALe są
    bezpośrednio dołączane do portu Centronics komputera.

Układ został zbudowany w możliwie prosty sposób. Brak automatyki, więc wszystko
trzeba robić ręcznie. Dip-switch umożliwia ustawienie jednego z 4 napięć dla
zaprogramowania bądź odczytu GALa - 11,85V, 13,20V, 14,55V oraz 15,87V. Stosowany zasilacz to ~15V prądu przemiennego, z którego po wyprostowaniu są
otrzymywane wszystkie napięcia w układzie.

ustawienia Dip-switcha:

1,2,3 - on, on, on - 11,85V
1,2,3 - on, on, off - 13,20V
1,2,3 - on, off, off - 14,55V
1,2,3 - off, off, off - 15,87V

Można sobie zmierzyć te napięcia w trakcie uruchamiania programatora mierząc je
na nóżce 2 podstawki względem masy.

Ważna jest kolejność wykonywanych czynności. Należy uważać ponieważ może się
zdarzyć, że GAL "pójdzie z dymem" i oby nie odleciał razem z portem komputera.

1. Włożyć GAL w podstawkę uważając na położenie
2. Włączyć zasilanie programatora.
3. Uruchomić program GALblast.
4. Wybrać port LPT (z reguły LPT1)
5. Załadować plik do zaprogramowania (Load JEDEC)
6. Podłączyć programator do portu komputera (to nie jest groźne)
7. Wykonać działanie - Write GAL (napięcie ustawione 11,85V)
8. Zostanie wyświetlone napięcie programowania
9. Jeśli jest OK - przełączyć na dane napięcie (np. 14,55V)
10. Ponownie wykonać Write GAL
11. Odłączyć programator od portu komputera
12. Wyłączyć zasilanie.

Zaprogramowałem sporo GALi i nigdy nie miałem problemów. Należy jednak uważnie
stosować powyższą procedurę. Za ewentualne uszkodzenia nie odpowiadam.

Co jeszcze jest ważne. Aby oprogramowanie działało na nowszych systemach
Windows należy uruchomić sterownik TOTALIO.SYS używając do tego programu
LOADDRV.EXE. Dzięki temu program Galblast.exe bez problemu nawiąże współpracę
z programatorem.