START
_______________

Narzędzia

GALprog

Przetwornica StepUp

Przelotki układów DIP

Laminator do PCB

Wiertarka do PCB

Wytrawiarka PCB

Monitor LCD Multi

Programator ALL-07

Programator
Logical Devices
AllPro88

EPE IC TESTER
by Joe Farr


Programatory
RunFei RF-3148
Chipmaster6000
Minato1881XP


 

Programator uniwersalny DAC per PIN
Logical Devices AllPro 88

     Przedstawiam jeden z najciekawszych programatorów moim zdaniem - jaki w ogóle
powstał. Jest to urządzenie wyprodukowane przez Logical Devices Inc. w latach 90tych
XX wieku. Najważniejszą cechą - wyróżniającą ten sprzęt jest zastosowanie dla każdego
pinu programowanego układu oddzielnego przetwornika cyfrowo-analogowego (DAC).
Takie rozwiązanie pozwala na ekstremalną elastyczność w dopasowywaniu napięć
programujących i charakterystyk napięciowych do praktycznie wszystkich grup
cyfrowych układów scalonych - wysoko- i niskonapięciowych. Rozwiązanie znacznie
wyprzedzające swój czas. Jest to złożona konstrukcja i jak na ówczesne czasy -
po prostu bardzo droga - co nie dziwi choćby ze względu na ilość i rodzaj użytych do
budowy programatora układów scalonych.
     Powstało kilka wersji sprzętowych różniących się zarówno wyposażeniem jak też
obudowami oraz możliwością pracy samodzielnej (standalone) albo sterowanej przez
oprogramowanie dla komputerów PC używające specjalnej karty adaptera 8-bit

     Mój AP88 - jest to wersja korzystająca najpewniej z obudowy używanej również
w konstrukcji AP88XR.


     Na powyższym zdjęciu widoczna jest góra programatora z modułem podstawek dla
wiekszości układów DIP i PLCC.


     Tył sprzętu. Widoczne gniazdo zasilania, włącznik, w tej wersji jest obecny także
wentylator (moduły się grzeją w trakcie pracy) oraz złącze DB37F do połączenia
z kartą sterującą w HOST PC kablem taśmowym 37-żyłowym opisane na obudowie
AT CONTROLLER PORT.

     Inne wersje (nie wszystkie ponieważ nie znalazłem zdjęć) AP88 poniżej





     Powyżej - z braku zdjęcia, jest rysunek góry wersji XR (standalone) AP88. W tej
wersji wewnątrz znajduje się moduł komputera PC sterującego programatorem.

Zdjęcia wnętrza AP88 oraz poszczególnych modułów



     Widok płyt modułów zabezpieczonych specjalną konstrukcją utrzymującą wszystkie
elementy bardzo stabilnie na swoich pozycjach.


     Płyty bez konstrukcji stabilizującej - możliwe już jest wyjmowanie modułów.


     Moduł zasilacza nieregulowanego (UNR PS)


     Moduł zasilacza 5V (5V PS)


     Moduł zasilacza dopasowującego (ADJ PS)


     Moduł napięciowy (ANALOG-1)


     Moduł napięciowy (ANALOG-2)


     Moduł przetworników DAC  (PINDRIVER)


     Płyta podstawek testowych (SOCKET)

Czas na opowieść

     Programator kupiłem w zasadzie "z przypadku" - cena wydała mi się na tyle dobra,
że zaryzykowałem i... niestety, ale mocno "wtopiłem" bo okazało się, że sprzęt nie ma
podstawowego wyposażenia - karty interfejsu do PC oraz kabla połączeniowego - bez
czego jest po prostu bezużyteczny. Po wymianie korespondencji wyszło, że AP88 miał
być całkowicie sprawny i gotowy do pracy - a nie był. Cały misterny plan poszedł w
maliny i AP88 wylądował na strychu. Po kilku miesiącach zacząłem się zastanawiać
nad jakąkolwiek możliwością uruchomienia bezczynnego "gamonia". Rozpocząłem
zakrojone na szeroką skalę poszukiwania w Internecie. Udało mi się dokonać kilku
ustaleń:

- praktycznie wszystkie egzemplarze sprzedawane w sieci są "non standalone", więc
  wymagają karty interfejsu do PC, której NIE MA. Rzadko widziałem wersję ze złączem
  LPT, która była bardzo nietania,
- jest dostepny Service Manual dla wersji AP88XR, gdzie są również schematy różnych
  modułów w niezbyt dobrej jakości. Niektóre skany są zaś po prostu nieczytelne,
- pomiędzy tymi schematami zaplątał się również schemat karty interfejsu PC mający
  dwa tryby pracy - AP i Husky,
- powszechnie dostępne oprogramowanie jest dla wersji z LPT albo AP88XR. Wersja
  oprogramowania "non standalone" była niedostepna,
- producent programatora - Logical Devices Inc. istnieje i posiada swoją www, gdzie
  są również dane kontaktowe -
https://logicaldevices.com/ Warto skorzystać z
  Webarchive i poszukać zarchiwizowanych stron firmy z wielu lat :)
- bardzo ciekawym miejscem jest strona KEVTRIS
http://blog.kevtris.org, a w zasadzie
  katalog
http://blog.kevtris.org/blogfiles/allpro88/ gdzie znajdziemy jego pliki związane
  z programatorem AP88. Najważniejszym z nich jest AllPro 88 programming - plik
  zawierający wszystkie niezbędne informacje na temat sterowania programatorem
  z poziomu oprogramowania sterującego - mapy pamięci, opisy funkcji, itd. Niezwykle
  wartościowe dane pozwalające na napisanie własnego oprogramowania chociażby
  w BASIC :-D. Otrzymałem zgodę KEVTRIS'a na opublikowanie tych danych tutaj

ALLPRO 88 PROGRAMMING

     Tekst w języku angielskim, jednak napisany w prosty i bardzo zrozumiały sposób.

     Postanowiłem coś z tym zrobić. Na początek musiałem załatwić transformator
obniżający napięcie z 230V na 115V. Mimo, iż później okazało się, że możliwe jest
przełączenie uzwojeń na transformatorze sieciowym do pracy z napięciem 230V -
wolałem zostawić to w stanie oryginalnym. Zanim włączyłem zasilanie, postanowiłem
zrobić przegląd wizualny wnętrza i po zdobyciu (kupnie) klucza nasadowego 1/4 cala
zabrałem się do rozkręcenia całości. Po ujrzeniu takiego obrazka jak poniżej


podjąłem decyzję o wymianie wszystkich kondensatorów elektrolitycznych poza
tantalowymi, które wydawały się być sprawne (przynajmniej wizualnie). Za jakiś czas
udało mi się wymienić kondensatory, jednakże z braku karty interfejsu nawet nie
próbowałem włączyć programatora, ponieważ nie miało to w tym momencie sensu.

Sprzęt ponownie znalazł się "na półce".

     Jako, że zdobycie karty okazało sie praktycznie niemożliwe w tym czasie, wziąłem
"pod lupę" dostępne schematy z dokumentacji serwisowej. Nie wdając się w zbędne
szczegóły - znalazłem schematy karty interfejsu standard dla IBM PC/XT/AT/486.
Nie było to szczególnie łatwe zadanie ponieważ trafiłem na kilka różnych wersji i był
problem z wybraniem tej właściwej. Nieoczekiwanie udało się znaleźć w paczce plików
ściągniętych z
ARCHIVE.ORG pliki konfiguracyjne układów programowalnych PAL16L8
zastosowanych w karcie interfejsu. To zaczęło być coraz bardziej interesujące...

Pliki układów PAL16L8 oraz przekonwwertowane dla GAL16V8

 

     Najodpowiedniejszy ze znalezionych schematów w odniesieniu do plików dla PLD,
który - dla lepszej czytelności i wiekszej przydatności przerysowałem w programie
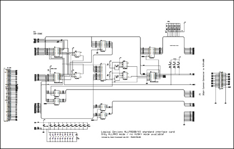
EAGLE  zwracając całą uwagę na bezbłędne odwzorowanie połączeń.


     Jest to wersja bez trybu Husky - wyłącznie tryb pracy AP88. Schemat został użyty
przeze mnie do wykonania prototypu na płytce uniwersalnej metodą połączeń owijanych
na kołkach, tzw. goldpinach. Całkiem dobrze wyszło.






     Gotowy do testów prototyp karty interfejsu AP88 PC


     Dla porównania - oryginalna karta interfejsu zakupiona w Logical Devices Inc.
Z kartą tą mam kłopot - jest niestabilna. Podczas testów stany na pindriverach są
zmienne i często zmieniają się w dość przypadkowy sposób. Z pewnością jest to
do naprawienia i w wolnym czasie to zrobię - tak jakby gdzieś "zimny lut" był :)

     Trochę kłopotów sprawił kabel połączeniowy 37-żyłowy. Istotną informacją jest to, że
pinowi 1 karty interfejsu odpowiada pin 19 na złączu w AP88, czyli wtyki DB37F muszą
zostać obrócone o 180 stopni, aby tak wykonany kabel po prostu działał.

AP88 cable description


     Czas na pierwszy test! Podłączyłem transformator obniżający, włożyłem kartę do
przygotowanego wcześniej komputera PC Pentium (trochę za szybkiego), włączyłem
zasilanie i uruchomiłem sprzęt - najpierw PC, potem AP88. Niestety - po uruchomieniu
programu dla AP88XR okazało się, że nie ma możliwości współpracy tej wersji softu
z programatorem "non standalone". Wyłączyłem wszystko i zacząłem szukać właściwej
wersji oprogramowania, którą po długich i trudnych poszukiwaniach znalazłem, o dziwo
na jakimś moim archiwalnym CD schowanym w szufladzie.

AP88 DOS software
AP88XR installation pack

     Uwaga! Dla AP88 jest wyłącznie AP88 DOS software! Wystarczy rozpakować ZIP
na dysk i uruchomić plik allpro.exe.
Ponownie podłączyłem sprzęt, uruchomiłem program sterujący i w końcu zobaczyłem
okno robocze programu, który zidentyfikował podłączony programator i zaczął działać
w normalnym trybie pracy. Wybrałem z menu pozycję Run Diagnostics, ponieważ
chciałem przetestować na początek co się da :) Gdy uruchomiłem test - zobaczyłem
na wszystkich pozycjach plusiki, co oznaczało, że odpowiednie stany pindriverów są
zgodne z warunkami testów.

     WTEM! BUM! i program sterujący przestał widzieć programator. Wentylator przestał
działać - zapadła cisza... Po szybkim sprawdzeniu okazało się, że uległ przepaleniu
bezpiecznik w pierwotnym obwodzie zasilającym do transformatora. Przyjmując, że
mogło być to zdarzenie przypadkowe - wymieniłem bezpecznik na podobny i ponownie
włączyłem programator. Po kilkunastu sekundach ponownie uległ przepaleniu ten sam
bezpiecznik. Słabo... Wziąłem multimetr, schemat zasilacza nieregilowanego UNR PS
i zacząłem szukać problemu, który znalazłem dosyć szybko - mostek Graetza uległ
uszkodzeniu - jedna z diod dostała przebicia i w związku z tym powstało zwarcie
we wtórnym uzwojeniu transformatora zasilającego, co było przyczyną przepalania
bezpiecznika. Po zakupie mostka i wymianie wszystko wróciło do normy...Prawie...
Gdy uruchomiłem sprzęt, włączyłem diagnostykę - moim oczom ukazał sie taki obraz:


     Wszystkie pindrivery nie przechodziły większości testów. Sytuacja znacznie się
skomplikowała jako, że i urządzenie jest skomplikowane. Mimo to - podejrzewałem, iż
musi być to jakiś problem w zasilaniu, brak jakiegoś napięcia/napięć, cokolwiek.
W manualu serwisowym znalazłem procedury diagnostyczne, które były całkiem OK,
lecz miały też jeden wielki minus - zakładały konieczność użycia oprogramowania
diagnostycznego składającego się z plików DIAG1.EXE, DIAG3.EXE i DIAG4.EXE,
których NIGDZIE nie mogłem znaleźć. Wtedy zdecydowałem się napisać do Logical
Devices - do Wsparcia mimo, że programator już od wielu lat nie był produkowany, ani
rozwijany. Na moje prośby odpowiedział David Mot. Niewiarygodnie cierpliwy i pomocny
człowiek, który poświęcił bezinteresownie sporo swojego czasu tylko po to, aby
udało mi się przywrócić do pracy AP88. Dzięki niemu udało się zdobyć trochę więcej
dokumentacji, a co najważniejsze - David odnalazł gdzieś w archiwalnych pudłach dwa
programy diagnostyczne - DIAG3.EXE i DIAG4.EXE, które wysłał do mnie i wyłacznie
dzięki temu mogłem ruszyć z dalszą diagnostyką i naprawą AP88. Poszło już z górki.

Programy diagnostyczne oraz procedury


     Zacząłem sprawdzać zaczynając od Individual Board Tests

Pomiary wykonywane względem masy urządzenia.

Na początek Unregulated Power Supply
punkt 4 - napięcie zmierzone - 34,5V
punkt 5 - napięcie zmierzone - 26V (w procedurze jest 19V, ale na schematach 25V)

Następnie 5V Power Supply
punkt 3 - napięcie zmierzone - 5V
punkt 4 - napięcie zmierzone - minus 8V


Kolejny moduł to Adjustable Power Supply
Tutaj jest niezbędny program DIAG3.EXE, który umożliwia włączanie określonych
napięć w celu pomiaru i regulacji na płycie ANALOG-1



punkt 5 - Analog ID - odczytany 03h(ex)
punkt 8 - napięcie zmierzone w TP-1 - 5V
punkt 10 - napięcie zmierzone w TP-2 - minus 5V
punkt 12 - napięcie zmierzone w TP-3 - 0,1V - BŁĄD! Powinno być 19,2V

Dalsze testy są bezcelowe. Zacząłem szukać przyczyny braku napięcia VTH 19,2V.
Napięcie to jest używane, m.in. do zasilania układów generacji napięć na płycie
ANALOG-1 i dlatego jego brak ma tak poważne skutki i objawia się dużą ilością
błędów. Po stosunkowo niedługim czasie, w zasadzie - "jak po sznurku" odnalazłem
przyczynę, którą były: uszkodzony komparator LM339 oraz wzmacniacz LM146
w obwodzie kontroli prądu wyjściowego Adjustable Power Supply. Po wymianie tych
układów i ponownym wykonaniu testów wg procedury napięcie VTH pojawiło się na TP-3
i miało prawidłową wartość 19,2V. Po uruchomieniu programu sterującego i testów
zobaczyłem taki oto obraz:


     Wszystko jest OK. W tzw. międzyczasie, podczas złożonych testów, wybuchł
jeden z tranzystorów LM395P na płycie pindriverów. Po wymianie wszystko jest OK,
więc to był prawdopodobnie jednostkowy przypadek, gdzie wyjątkowej budowy
układ tranzystorowy uległ uszkodzeniu. Dziwne, ale możliwe...


     Widowiskowa sprawa. Głośny trzask i snop iskier spomiędzy PCB :)

     Równolegle zacząłem pracować nad projektem nowej PCB interfejsu PC AP88.
Efekt na zdjęciu poniżej.

Schemat karty interfejsu PC AP88 oraz pliki w formacie GERBER

     W trakcie dalszych testów miałem jeszcze kilka "przygód" z wybuchającymi
kondensatorami tantalowymi, ale to było możliwe zważywszy na wiek programatora.
W chwili obecnej jest on sprawny i już obsłużył kilka układów. Z pewnością sprawdzę
czy uda mi się na podstawie informacji od KEVTRIS'a poeksperymentować badając
możliwości AP88.

Pozostałe informacje dotyczące ALLPRO88

     W pliku AllPro_files.zip znajduje się user guide, service manual, pliki konfiguracyjne
wszystkich układów programowalnych zastosowanych w AP88 (CPLD), powtórzenie
programów testowych, trochę schematów, device list i quickreference.

Całość tego przedsięwzięcia trwała przez ponad 1,5 roku.
Tak duży wpływ na to ma poziom dostępności informacji.
Im mniej informacji - tym więcej czasu trzeba poświęcić
na "odkrywanie Ameryki po raz kolejny"

Wszystkie informacje udostępniam za free
tym, którzy tego mogą potrzebować! Aby
już nikt nie musiał marnować swego
czasu i życia na szukanie...

Wielkie podziekowania składam
DAWIDOWI MOT
z Logical Devices Inc.
za okazaną mi i innym,
 użytkownikom AP88 pomoc

Proszę o nieusuwanie napisów z plików GERBER

tOri