START
_______________

Projekty

CS9236 Moduł MIDI

BlackBOX 8.1

Yamaha MCD64
RAM Card

AKAI FMX-008
FlashROM Card


Yamaha SY99
firmware upgrade


Kabel SCSI
DB25-Centronics50
dla AKAI S2000


AKAI S2000
EPROM OS v2.0 Mod


YAMAHA Tx16w
Memory upgrade


AKAI FMX-016
FlashROM Card


Roland SNU cards
clone projec

6U Rack Pack


Kurzweil K2000
P/RAM project


YAMAHA RAM4
Cartridge RE


YAMAHA RAM4
MultiCartridge

 

Yamaha MCD64 RAMcard

     Jako, że nie samą elektroniką człowiek żyje, zajmuję się także amatorsko graniem
na instumentach klawiszowych. Jestem dumnym (jak to brzmi) właścicielem syntezera
Yamaha SY99, który stanowi klasę samą w sobie - to Yamaha DX7 na sterydach i o
niesamowicie bogatym brzmieniu łączącym syntezę FM z samplingiem. Rewelacja!

     Firma Yamaha zaprojektowała kartę pamięci RAM dla syntezatorów:

SY22
SY35 & TG33
SY55 & TG55
SY77 & TG77
SY85 & TG500
SY99
RM50
TQ5
V50
SPX990

     na której można zapisać 64 brzmienia użytkownika co rozszerza dostępną ilość
brzmień.

     Foto strony górnej:

     Mając w ręku taką kartę nie mogłem sobie odmówić przyjemności odtworzenia jej
konstrukcji oraz zbudowania klona. W rezultacie powstał odtworzony schemat oryginału

     Foto oryginalnej PCB:

     Jednakże - ze względu na bardzo kłopotliwe zasilanie podtrzymania pamięci RAM
zdecydowałem, że zaprojektuję i zbuduję wersję na pamięciach FRAM firmy RAMTRON,
które zachowują się jak zwykłe pamięci RAM i do podtrzymania zawartości nie potrzeba
im dodatkowego zasilania, np. z baterii CR2032 3V.
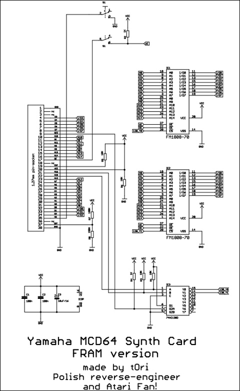
     Poniżej prezentuję schemat wersji FRAM oraz udostępniam pliki w formacie Gerber
do wykonania PCB samodzielnie, bądź w firmie produkującej obwody drukowane. Jest
tu kilka zmian względem oryginału - przede wszystkim zostały usunięte wszystkie
elementy związane z podtrzymaniem zawartości RAM.

     Schemat:

     Foto wykonanego i działającego urządzenia:

     PLIKI GERBER projektu MCD64 FRAM

     Wykonanie nie jest jakoś specjalnie skomplikowane, jednakże wyjaśnienia wymaga
kilka kwestii. Pierwszą jest użyte złącze do gniazda Memory - jest to złącze goldpin
damskie z rozstawem 1,27mm, czyli bardzo gęste. Należy zakupić złącze proste 1x40
i po obcięciu dwóch pinów reszta doskonale pasuje do wymiarów karty. Druga kwestią
jest wykonanie "obudowy". Spróbowałem zrobić to na drukarce 3D - niestety ale ta,
którą dysponuję ma zbyt małe pole żeby wydrukować coś większego niż o długości
93mm. Sama PCB wraz ze złączem ma właśnie długość 93mm i zabrakło mi
możliwości druku końcówki obudowy :). Coś tam zaimprowizowałem, jednakże nie
mogę tego zamieścić na stronie, ponieważ nie jest to poprawne rozwiązanie.
Oryginalna karta ma wymiary: długość - 86mm, szerokość - 54mm, grubość - 3,8mm.
Trzecią jest użycie switcha zezwalającego/blokującego zapis. W oryginale jest
zastosowany płaski switch SMD - ja natomiast użyłem zwykły dwusekcyjny switch
THT o wymiarach 9mm x 3,6mm. Czwarta kwestią jest grubość PCB - wynosi ona
0,6mm!

     Poniżej zdjęcie "kombinowanego" opakowania dla mojej karty. Działa :)

POLECAM!

Projekt udostępniam za darmo wszystkim
zainteresowanym. Bardzo proszę o uszanowanie
mojego wysiłku i niewykorzystywanie komercyjne
odtworzonej dokumentacji.

Dziękuję.
 

     Na stronie https://sector101.co.uk/datablade.html jest dostępne komercyjne
rozwiązanie odpowiednika karty MCD64 z wieloma bankami.
Po szczegóły zapraszam do odwiedzenia linkowanej strony.