START
_______________

Projekty

CS9236 Moduł MIDI

BlackBOX 8.1

Yamaha MCD64
RAM Card


AKAI FMX-008
FlashROM Card


Yamaha SY99
firmware upgrade


Kabel SCSI
DB25-Centronics50
dla AKAI S2000


AKAI S2000
EPROM OS v2.0 Mod


YAMAHA Tx16w
Memory upgrade


AKAI FMX-016
FlashROM Card


Roland SNU cards
clone project

6U Rack Pack

Kurzweil K2000
P/RAM project


YAMAHA RAM4
Cartridge RE


YAMAHA RAM4
MultiCartridge

 

ROLAND SN-U110 Cards clone project

     Mam wśród sprzętu również moduły ROMplera U-110. Bardzo fajny sprzęt. Niezbyt
skomplikowana obsługa oraz ciekawe brzmienie odtwarzanych sampli spowodowały, że
pojawiła się chęć rozbudowy o wiąkszą ilość brzmień. Szybko okazało się, iż jedyną
w zasadzie możliwością jest kupno kart ROM z samplami z serii SN-U110, których
jest ogółem 15 i są dosyć drogie w ofertach aukcyjnych (z drugiej ręki ponieważ nie są
od dawna produkowane).

Spis kart - numery i nazwy:

SN-U110-01 Pipe Organs and Harpsichords

SN-U110-02 Latin and FX Percussion

SN-U110-03 Ethnic including Tabla, Sitar, Koto, Balafon etc.

SN-U110-04 Electric Grand Pianos and Clavi

SN-U110-05 Orchestra Strings including Violins, Cellos and Harps

SN-U110-06 Orchestra Winds including Oboes, Bassoons, Clarinets, Horns, Tuba
                   and Timpani

SN-U110-07 Electric Guitars including Jazz, Overdrive and Distortions Guitars

SN-U110-08 Synthesizers

SN-U110-09 Guitar and Keyboards

SN-U110-10 Rock and Electronic Drums

SN-U110-11 Sound Effects

SN-U110-12 Trombones and Saxes

SN-U110-13 Super Strings

SN-U110-14 Super Acoustic Guitars

SN-U110-15 Super Brass

     Lekko licząc - za cały zestaw trzeba by było zapłacic około 500 dolarów. Może
mniej w zakupie dużej ilości. To okazało się być poza zasięgiem moich finansów.
Mogłem za to zrobić coś innego - zaprojektować taki sprzęt, który umożliwiłby mi
wykonanie zrzutów binarnych zawartości kart i zaprogramowanie klonów zrobionych
na przykład na pamięciach FLASH. I tak - "od pomysłu do przemysłu" mogę zaprezentować moje podejście do modułu Roland U-110.

     Pierwszą sprawą, wokół której musiałem się "zakręcić" było zdobycie złącza karty
SN-U. Kupić tego się nie da ponieważ jest to nietypowe złącze, jednostronne z rastrem
1,5mm. Znalazłem w Japonii aukcję, gdzie za 15$ mogłem kupić moduł slotów ROM z
z modułu Roland U-220, który jest następcą U-110 i ma w zasadzie wiele podobnych
elementów.

     Slot:

     Pozostało mi więc zaprojektowanie właściwego otoczenia, które byłoby na tyle
uniwersalne żeby spełniło założenia - odczytu oryginalnej karty oraz zapisu danych na
klonie wykonanym na pamięci FLASH - 29F040 (512KB), ponieważ taki jest rozmiar
oryginału.

     Schemat adaptera do programatora układów scalonych - u mnie obecnie jest to
uniwersalny programator MINATO1881XP - urządzenie identyczne z Labtool-48XP. Jest
to bardzo dobry sprzęt. Wcześniej używałem programatora Chipmaster6000.

     Płytka adaptera z wlutowanym slotem

     Adapter z kartą SN-U100-02 w programatorze

     Adapter jest bardzo prostym układem. Posiada jeden przełącznik ROM-FLASH,
który przełącza kilka linii sterujących pamięciami ze względu na różnice pomiędzy
układem 27C040 oraz 29F040 (inne położenie linii adresowej A18 oraz linia WE).
Została również zastosowana pojedyncza bramka NAND w konfiguracji inwertera na
linii CS, ponieważ oryginalna karta jest sterowana poziomem wysokim tego sygnału,
a programator wystawia poziom niski :) Taka sytuacja...

     Odczyt karty jest bezproblemowy i potem wystarczy zapisać plik binarny, który
przyda się do uruchomienia klona.

     Karty - oryginalna i klon

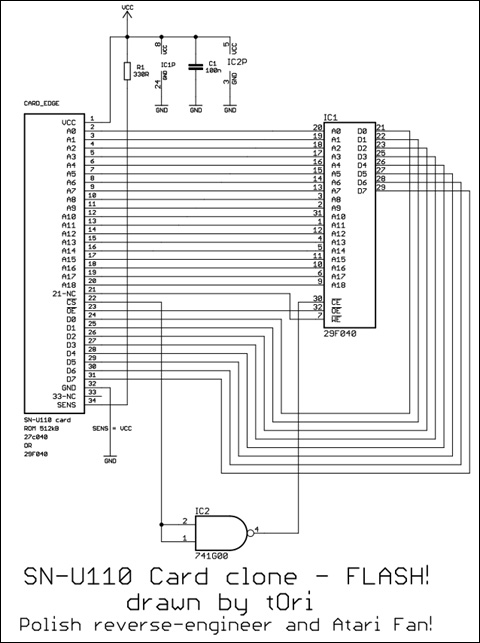
     Schemat klona karty SN-U110


     Jest to także bardzo prosty układ. I tutaj także została zastosowana pojedyncza
bramka jako inwerter aby klon zachowywał się identycznie jak oryginał po włożeniu
w moduł ROMplera.

     Nowa karta w adapterze gotowa do zapisu

Pliki schematów, PCB oraz wsad binarny

Schemat adaptera w formacie Eagle
Schemat klona karty SN-U110 w formcie Eagle

Pliki PCB adaptera - GERBER
Pliki PCB klona SN-U110 - GERBER
Plik binarny karty SN-U110-02 - Latin & FX Percussion
Spis zawartości poszczególnych kart - listy brzmień (PDF)

     Płytki zlecam do zrobienia w JLCPCB - polecam bardzo - robią je tanio i dobrze.

     To w zasadzie wystarczy, aby sklonować wszystkie dostępne karty, które zapewne
da się wypożyczyć, kupić bądź zdobyć w inny sposób do zrzucenia zawartości.

     Tak wygląda mój U110, który ma 4 sloty - w trakcie testów

     W pewnym momencie wynikła zadziwiająca sytuacja. Rozmyślałem nad tym, aby
zrobić coś takiego, żeby dało się ładować do kart swoje zestawy sampli. Sprawdziłem
więc o co chodzi z rolandowskim RS-PCM i dowiedziałem się tyle, że jest to własny
format kodowania PCM zaprojektowany przez Rolanda i jego algorytm jest niedostępny.
Dekodowanie danych zapisanych na kartach odbywa się przy pomocy sprzętowego
dekompresora-playera. Jako, że nie jestem programistą (dobrym, bo coś tam umiem)
zapytałem kilku znajomych czy dali by radę coś takiego ogarnąć. Niestety nikt nie dał
mi pozytywnej odpowiedzi. Do czasu...

     Zdarzyło mi się współpracować z programistą z Niemiec (Hallo Dominik!). Projekty
dotyczyły hardware i software starych mikrokontrolerów CYPRESS, z którymi sobie
wspólnie poradziliśmy. I tak jakoś rzuciłem pytanie w sprawie RS-PCM do niego.
Odpowiedź mnie zupełnie rozwaliła :D - "Po co tym się zajmować skoro to zostało już
zrobione?" i skierował mnie na stronę
https://waverex.de/de/ a konkretnie do karty
WaveU
, która jest - razem z oprogramowaniem, tym czymś co chciałem zbudować.
Oprogramowanie tej karty - napisane przez Dominika, umożliwia budowanie własnych
zestawów sampli w formacie 16bit/44,1kHz i ładowanie ich do karty WaveU przez
złącze USB. Niesamowita historia, z takim zakończeniem. Mam tę kartę i nie będę
wahał się jej używać. W zestawieniu z moim adapterem mogę teraz przygotowywać
zestawy dowolnych brzmień, ładować je do WaveU, a następnie zrzucać do pliku i
ładować do kart FLASH. Rewelacja! POLECAM, ponieważ to daje nowy oddech dla
modułu, który został, zdaje się, porzucony już dawno temu przez producenta...

     Karta WaveU

     Wielkie podziękowania dla Dominika - utalentowanego programisty i bardzo sympatycznego gościa :D

->WAVEREX<-

Przygotowanie, sprawdzenie, rysowanie, projektowanie, montaż i testy zajęły mi naprawdę sporo czasu. Proszę
o uszanowanie tego i niewykorzystywanie publikacji
do celów komercyjnych bez mojej zgody.
Przekazuję całość dokumentacji za darmo do naprawy
oryginalnych pamięci oraz budowy działających klonów.

Proszę również o nieusuwanie napisu tOri z PCB

Dziękuję.