START
_______________

Atari 16-bit

Floppy Drive
DIN14-IDC34
adapter


ACSI-SCSI interface

Video digitizer faST

MegaSTe SCSI
internal interface


ST RAMcart

Peter Putnik's
ACSI-CF Interface


Sack's PC-speed
remake project


Vortex AT-ONCE
remake project


Sack's AT-speed
remake project


MagicSAC+
remake project


ICD ST Hard Drive
Adapter BD
remake project

ICD Advantage SCSI+
remake project


ICD AdSCSI Micro
remake project


Realtime
Clocks


Matrix M110
GAL Pack


ICD Advantage SCSI
remake project


ICD Micro MegaSTe
adaptation project


Emagic LOG3
Interface remake


C-Lab Combiner
remake


Vortex ATonce-386SX
DIP version
remake project


Simple M68000
relocator


Vortex ATonce-386SX
MegaSTe version
remake project


JRI's ST4096C
remake project


TOS Card 2
restoration project


ICD AdSCSI
MegaSTe


Barry Orlando's
32k Colors for ST


 

ICD ST HARD DRIVE ADAPTER BD
remake project

     Przedstawiam kolejny uratowany przeze mnie od wymarcia sprzęt - tym razem jest
to adapter ACSI<->SCSI produkcji amerykańskiej firmy ICD Inc. która - jak wiele - już
nie istnieje. Zastosowane przez producenta układy GAL16V8 zostały zabezpieczone
przed odczytem konfiguracji, ale dzięki moim umiejętnościom i możliwościom mogłem
odczytać te dane i zaprogramować nowe układy do zamontowania w klonie.

     Rozpoczęcie i zakończenie projektu było możliwe dzięki użytkownikowi z forum
atari-home.de -
MARKUS608 oraz CZIETZ z forum atari-forum.com.

Fotografia oryginalnego interfejsu:

Fotografia odtworzonego przeze mnie interfejsu:

     Różnice z grubsza widać na zdjęciach. Większość elementów biernych zmieniłem
na wersje SMD. Kilka pozostało wraz z układami scalonymi THT :). W miejsce drabinek
rezystorowych (terminatory szyny) musiałem zastosować zamienniki zbudowane przy
użyciu rezystorów, ponieważ dostanie obecnie takich drabinek 220R/330R okazało się
niemożliwe...Wlutowane tylko jedno gniazdo DIN19 wynika również z braku dostępności
takich elementów - powyższe jest "z odzysku". Również tranzystory są innych typów.
Zamiast 2N2907 użyłem BC327, a zamiast 2N2222 użyłem BC337. Działają :)

     Bardzo ważna sprawa związana z tranzystorami. Na poniższej fotografii opisałem
kolorem czerwonym wyprowadzenia tranzystorów niezależnie od zastosowanego typu.

     Kliknij aby zobaczyć w powiększeniu.

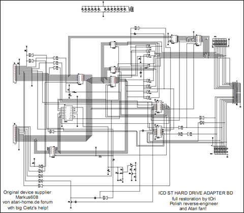
Schemat:

     Tak wygląda kolejny krok w pracy nad urządzeniem (diagram reversing)

Schemat w formacie Eagle

Pliki w formacie GEBER do budowy klona

Pliki do zaprogramowania układów GAL 16V8

Oprogramowanie ICD v6.5.5

     Tak wygląda ekran startowy sterownika ICD. Jak widać na zdjęciu - zostały wykryte
wszystkie partycje oraz ustawiony zegar systemowy - System Clock Set: Yes

     IDcheck z pakietu oprogramowania pokazuje obecne w systemie urządzenia:

     Cieszę się bardzo z tego, że udało mi się odtworzyć konstrukcję kolejnego sprzętu
dla komputerów Atari ST. Mam nadzieję, że nie jest to ostatnie słowo w tej materii...

     Proszę o uszanowanie mojego czasu i wysiłku
włożonych w reversing sprzętu.
Wykorzystanie komercyjne zamieszczonych materiałów jest ZABRONIONE i to nie zostanie przeze mnie zmienione.