START
_______________

Atari 16-bit

Floppy Drive
DIN14-IDC34
adapter


ACSI-SCSI interface

Video digitizer faST

MegaSTe SCSI
internal interface


ST RAMcart

Peter Putnik's
ACSI-CF Interface


Sack's PC-speed
remake project


Vortex AT-ONCE
remake project


Sack's AT-speed
remake project


MagicSAC+
remake project

ICD ST Hard Drive
Adapter BD
remake project


ICD Advantage SCSI+
remake project


ICD AdSCSI Micro
remake project


Realtime
Clocks


Matrix M110
GAL Pack


ICD Advantage SCSI
remake project


ICD Micro MegaSTe
adaptation project


Emagic LOG3
Interface remake


C-Lab Combiner
remake


Vortex ATonce-386SX
DIP version
remake project


Simple M68000
relocator


Vortex ATonce-386SX
MegaSTe version
remake project


JRI's ST4096C
remake project


TOS Card 2
restoration project


ICD AdSCSI
MegaSTe


Barry Orlando's
32k Colors for ST


 

MagicSAC+ remake project

     Tak wygląda oryginalny emulator Apple Macintosh 128K/512K przekazany mi przez
nieustraszonego użytkownika uicr0Bee z Forum Atari Area. To nie pierwsze urządzenie
udostępnione przez niego do wykonania inżynierii wstecznej. Działanie godne podziwu
i oczywiście wpisania do Atarowskiej Sali Sławy.


     Gustowne szare pudełko z zamkniętą w nim płytką drukowaną wtykaną do portu
kartridża Atari ST. Urządzenie zostało zaprojektowane i zbudowane przez Dave Small
i sprzedawane przez firmę Data Pacific Inc.

     Sprzęt dostałem bez kości ROM Apple. Pierwszym więc działaniem było znalezienie
ROM Apple Macintosh o wielkości 64KB pasującego do emulatora. Znaleziony w
repozytorium sieciowym ROM wersji 512K podzieliłem w standardowy sposób (jak dla
Atari ST) na HIGH i LOW, po czym zaprogramowałem pamięci EPROM i uruchomiłem
urządzenie w celu sprawdzenia jego działania. Poniżej zrzut ekranu startowego
oprogramowania MagicSAC+ dla Atari:

     Po uruchomieniu emulatora przyciskiem MAGIC ukazał mi się taki obraz:

     Jako, żę w chwili obecniej nie posiadam dysku systemowego (boot) w formacie
MAGIC - nie mogłem ostatecznie uruchomić i sprawdzić emulatora w działaniu. Kolejny
obraz wygląda tak:

     I w tym stanie emulator czeka na właściwy BOOT DYSK.

     Po zbudowaniu BOOT DYSKU - najprawdopodobniej na oryginalnym Macintoshu
przy pomocy oprogramowania z drugiego dysku MagicSAC+ w formacie GCR da się
z pewnością uruchomić i przywrócić "do życia" ten ciekawy sprzęt.

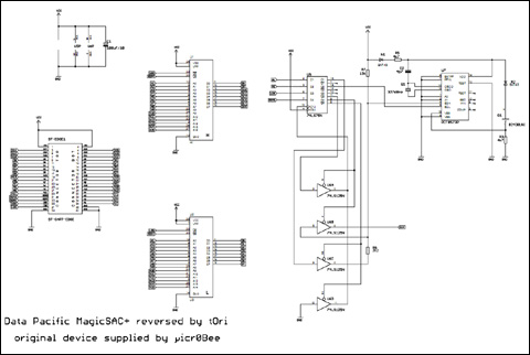
     Oczywiście publikuję tu całą dostępną dokumentację pozwalającą na zbudowanie
klona MagicSAC+.

     Schemat:

Schemat w formacie Eagle
Pliki w formacie GERBER dla PCB
Przygotowany Mac ROM 512K dla pamięci 27C256
Przygotowany Mac ROM 512K dla pamięci 27C512

MagicSAC+ Atari software v 3.6
MagicSAC+ Atari software v 4.2

     Tak wygląda oryginalna płytka drukowana MagicSAC+:

     A tak wygląda przeprojektowana przeze mnie płytka klona. Znaczącym ulepszeniem
jest zastosowanie koszyka pod baterię CR2032 co daje dużo łatwiejszą możliwość jej
wymiany po rozładowaniu. Bateria ta służy do podtrzymania działania układu zegara
PCF8573.

     W przypadku tego urządzenia strona TOP znajduje się od strony lutowania co może
być mylące dlatego umieściłem na PCB spory napis TOP przy stykach złącza CART.
To powinno rozwiać wszystkie watpliwości

     Jak zwykle przekazuję wszystko za darmo dla świata użytkowników Atari. Akurat
MagicSAC+ nie jest czymś niezwykle trudnym do odtworzenia. Większym problemem
jest odtworzenie do niego oprogramowania :)

     Być może kolejnym emulatorem będzie Spectre GCR? Kto wie...
 

     Proszę o uszanowanie mojego czasu i wysiłku
włożonych w reversing MagicSAC+.
Wykorzystanie komercyjne zamieszczonych materiałów jest ZABRONIONE i to nie zostanie przeze mnie zmienione.