START
_______________

Atari 16-bit

Floppy Drive
DIN14-IDC34
adapter


ACSI-SCSI interface

Video digitizer faST

MegaSTe SCSI
internal interface


ST RAMcart

Peter Putnik's
ACSI-CF Interface


Sack's PC-speed
remake project


Vortex AT-ONCE
remake project


Sack's AT-speed
remake project


MagicSAC+
remake project


ICD ST Hard Drive
Adapter BD
remake project


ICD Advantage SCSI+
remake project


ICD AdSCSI Micro
remake project


Realtime
Clocks


Matrix M110
GAL Pack


ICD Advantage SCSI
remake project


ICD Micro MegaSTe
adaptation project


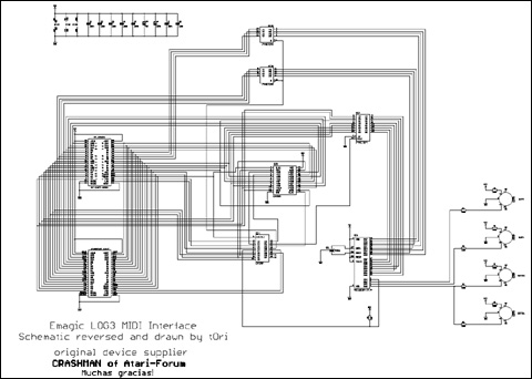
Emagic LOG3
Interface remake

C-Lab Combiner
remake


Vortex ATonce-386SX
DIP version
remake project


Simple M68000
relocator


Vortex ATonce-386SX
MegaSTe version
remake project


JRI's ST4096C
remake project


TOS Card 2
restoration project


ICD AdSCSI
MegaSTe


Barry Orlando's
32k Colors for ST


 

Emagic LOG3
Interface remake

     Przedstawiam kolejny udany remake urządzenia dla Atari. Tym razem jest to
interface LOG3 sprzedawany razem z programem Emagic LOGIC - sekwencerem MIDI. W urządzeniu jest umieszczony klucz zabezpieczający oraz mikrokontroler PIC16C57
obsługujący dodatkowe wyjścia MIDI.

     Urządzenie do reverse-engineering udostępnił CRASHMAN użytkownik
z forum
Atari-Forum.com . Dzięki jego odwadze i chęci pomocy dla fanów Atari było
w ogóle możliwe rozpoczęcie i zakończenie sukcesem wszelkich prac nad projektem.

Dziękuję!

     O konstrukcji:

     Interface LOG3 został wykonany w formie równoległego podłączenia do złącza CART
w postaci przelotowej, czyli - mamy obecne złącze krawędziowe na wejściu i gniazdo
40pin na wyjściu. Wewnątrz znajdują się układy CPLD - EP330 realizujący funkcje
dekodera adresowego, EP600 realizujący funkcje zabezpieczające software - DONGLE
oraz mikrokontroler PIC16C57XT pracujący z kwarcem 4MHz realizujący obsługę MIDI
zabezpieczeń.

     Oryginalna PCB:


     Zastosowane układy scalone:

     Dzięki pracy i sporemu wysiłkowi  Unnamed Villain of  -=TPH=-  zostały
odzyskane dane konfiguracyjne wszystkich zabezpieczonych układów, co umożliwiło
w dalszej kolejności zbudowanie klona całkowicie zgodnego funkcyjnie z oryginałem.

     Odtworzony schemat urządzenia:


     Zdjęcie sklonowanego interfejsu (bez drugiego złącza CART)

      Na koniec zostawiłem ważne informacje. W przypadku zastosowania PIC16C57
musi być to wersja XT pracująca z zewnętrznym kwarcem 4MHz. W przypadku uC
16F57, który polecam - jest łatwiejszy do zdobycia i tańszy - wystarczy wgrać
opublikowany plik HEX. Co jest istotne - mikrokontroler musi pracować w trybie XT
z WYŁACZONYM watchdogiem. To wszystko. Powinno działać.

     Uprzejmie proszę o szacunek dla mojego wysiłku
oraz masy czasu włożonych w projekt Emagic LOG3 remake.
Wykorzystanie komercyjne zamieszczonych materiałów jest ZABRONIONE i to nie zostanie przeze mnie zmienione.