START
_______________

Atari 8-bit

GAL-MMU

SIO2PC

Atari static RAM

Atari R-Flex

Atari Turbofreezer III

ARC by Pasiu/SSG

Atari Cartridge

Emulator USB Joy

SIDari

YAMari

SONari

SAMari

TIGari

NOMari

I/O Dekoder

CART+ECI expander


Atari Multicart XE

Atari Full S-RAM

Real Safety Gear

 



Pamięć podstawowa oraz rozszerzona w Atari
wykonana na pamięciach statycznych

 

     Zaprojektowałem i zbudowałem rozszerzenie pamięci wymieniające całkowicie pamięci dynamiczne na pamięci statyczne w oparciu o powszechnie dostępne dane
dotyczące obsługi pamięci w Atari, bankowania RAM w różnych wersjach rozszerzeń
i opracowania układu identyfikacji dostępu Antic/CPU śp. M.Geislera
    
Pamięć podstawowa 64kB oraz rozszerzona 0,5MB/1MB działająca w dwóch trybach:

+ CompyShop o rozmiarze 0,5MB z rozdzielonym dostepem ANTIC i CPU
+ Rambo o rozmiarze 1MB ze wspólnym dostepem ANTIC i CPU

Poza tym:

+ Kwarcowy generator zegara 14,187576 MHz wykonany na inwerterach oraz dzielnik przez 4 aby uzyskać zegar PHI 0 a z niego PHI 2

+ Bateryjne podtrzymanie zawartości pamięci rozszerzonej, a co za tym idzie RAMdysk z podtrzymywaną zawartością dla różnych zastosowań.

PROJEKT W TESTACH

     Poniżej dostępne w chwili obecnej materiały:


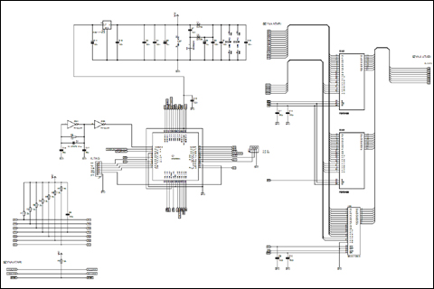
     Schemat w formacie Eagle ->
LINK

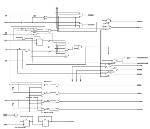
     Schemat zaimplementowany w CPLD Xilinx XC9536XL

    
Pliki projektu Xilinx Webpack ISE 14.7

    
Firmware

    
Z wielu względów projekt "utknął" w fazie testów. Jednym z nich jest problem z
ustaleniem poważnego i najmniej kłopotliwego miejsca instalacji rozszerzenia, gdyż to
implikuje m.in. rozkład wyprowadzeń w CPLD, który należy dopasować do projektu.

     Niemniej układ działa i był testowany rozmaitymi programami testującymi RAM.

     Zastosowanie CPLD umożliwia bezproblemowe nanoszenie poprawek i dalsze
testy układowe. Myślę, że kiedyś projekt osiągnie status ukończony. Na razie czeka.

     Jako pamięć rozszerzoną zastosowałem układy Mitsubishi M5M5408 512kx8 ze
względu na bardzo mały prąd standby przy napięciu 3V, oraz jakąś pamięć 128kB
w roli pamięci podstawowej - tu praktycznie każda będzie działać :)

     W razie pytań proszę o kontakt poprzez forum Atari Area - nick tOri