START
_______________

Atari 8-bit

GAL-MMU

SIO2PC

Atari static RAM

Atari R-Flex

Atari Turbofreezer III

ARC by Pasiu/SSG

Atari Cartridge

Emulator USB Joy

SIDari

YAMari

SONari

SAMari

TIGari

NOMari

I/O Dekoder

CART+ECI expander

Atari Multicart XE

Atari Full S-RAM

Real Safety Gear

 

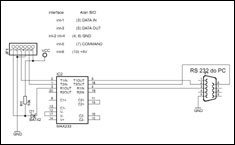
SIO2PC

      Przedstawiam kolejną wersję SIO2PC - tym razem wykonaną na układzie konwertera RS232 - MAX233, który nie potrzebuje kondensatorów zewnętrznych.
    
     Budowa jest bardzo prosta.

 

Schemat:

 

Dwustronna PCB:

 

Pliki Eagle - schemat i PCB:

SIO2PC MAX233 Eagle

Układ został sprawdzony i działa bezbłędnie.