START
_______________

Atari 8-bit

GAL-MMU

SIO2PC

Atari static RAM

Atari R-Flex

Atari Turbofreezer III

ARC by Pasiu/SSG

Atari Cartridge

Emulator USB Joy

SIDari

YAMari

SONari

SAMari

TIGari

NOMari

I/O Dekoder

CART+ECI expander

Atari Multicart XE

Atari Full S-RAM

Real Safety Gear

 

ATARI Multicart XE hardware

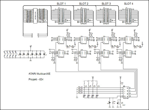
     Przedstawiam kolejny projekt sprzętowy dla Atari 8-bit serii XE. Jest to 4-slotowy replikator-przełącznik portu CART.

     Urządzenie jest dosyć proste. Składa się z czterech slotów CART połączonych równolegle z tym, że sygnały RD4, RD5, S4, S5, Phi2 oraz /CCTL są dołączane przez sterowany bufor szyny 74HCT244. Jest to konieczne ze względu na to, że w jednej
chwili może być aktywny tylko jeden kartridż i taka konstrukcja ma taką konfigurację
zabezpieczyć. Na płytce znajdują się także: układ sterowania bramami, cztery przyciski wyboru slotu oraz przycisk RESET odłączający wszystkie sloty. Używanie Multicarta
oszczędzi trochę złącze w komputerze, a także sam komputer ograniczając wyłączanie
i włączanie sprzętu w celu zrestartowania do wykonywania kolejnych zadań.

     Użytkowanie jest bardzo proste - po wetknięciu złącza płytki w slot CART Atari oraz
włączeniu komputera - wszystkie sloty są odłączone. W kolejnym kroku można wybrać
któryś slot i zrestartować Atari naciskając klawisz RESET komputera. Ponowny start
odbędzie się już z aktywnym kartridżem. Za każdym razem po zmianie slotu należy wykonać RESET aby prawidłowo zainicjalizować i uruchomić system z nowym modułem
co z reguły i tak może wymusić sam OS Atari.


     Poniżej zamieszczam schemat. Projekt PCB zostawiam do samodzielnego
opracowania z kilku względów gdyż mój projekt nie jest może najoptymalniejszy,
a można także dostosować konstrukcję do serii XL, która mocno różni się od XE
położeniem złącza CART.



     Prawidłowo zmontowany sprzęt powinien działać od pierwszego włączenia. Montaż
nie powinien nastręczać większych trudności mimo zastosowania elementów SMD0805.

     Na koniec uwaga konstrukcyjna:

Aby wysokość Multicarta zgadzała się z wysokością złącza CART Atari polecam użycie
jako podstawy płytki z plexi grubości 5mm oraz tulejek dystansowych 10mm. Skręcając
całość sześcioma śrubami M3 uzyskuje się bardzo stabilną konstrukcję pasującą do
wysokości złącza w komputerze co jest istotne ze względu na zapewnienie kontaktu
oraz nieuszkadzanie styków podczas eksploatacji.

POLECAM