START
_______________

Atari 8-bit

GAL-MMU

SIO2PC

Atari static RAM

Atari R-Flex

Atari Turbofreezer III

ARC by Pasiu/SSG

Atari Cartridge

Emulator USB Joy

SIDari

YAMari

SONari

SAMari

TIGari

NOMari

I/O Dekoder

CART+ECI expander

Atari Multicart XE

Atari Full S-RAM

Real Safety Gear

 

SONari

    Wielu zna brzmienie dźwięku w Atari ST. Zastosowany w tej serii komputerów układ
scalonego, trójkanałowego generatora dźwięków z generatorami szumu produkcji firmy
Yamaha o symbolu YM2149 podniósł możliwości sprzętu Atari na wyższy poziom.
Układ ten jest lekko udoskonaloną wersją scalaka AY-3-8910 produkowanego przez już
nieistniejącą firmę General Instruments. Układ ten jest/był produkowany przez firmę
MICROCHIP pod oznaczeniem AY-3-8910A. Ciekawe jest to, że zastosowano go w wielu komputerach 8-bit, a do niektórych powstały moduły rozszerzeń, np.ZX Spectrum.
    
Poświęciłem trochę czasu, pomyślałem i postanowiłem zrobić kolejny moduł dźwiekowy
dla małych Atari. Tak powstał...


     Nieocenioną pomoc przy stworzeniu poniższego rozszerzenia okazał
Mono
http://mono.atari.pl/ - koder z pomysłami tworzący dla Atari 8-bit oraz PC, twórca
hardware playera plików .PSG dla Atarynki, którego użyłem do testów sprzętu.

    Przyznam, że informacje na temat YM/AY czerpałem garściami z Internetu. Dzięki
temu mogłem szybciej i skuteczniej opracować ostateczną wersję, która posiada na
pokładzie dwa układy YM/AY. Został też wbudowany mechanizm konfiguracji adresów
oraz identyfikacji sprzętowej konfiguracji modułu opartej o niewykorzystywane 8-bitowe
porty wejścia-wyjścia. Odczyt portu A daje wartość 83 (duża litera S), gdy używamy
układy YM2149 albo 211 (duża litera S w negatywie), gdy używamy układy AY-3-8910.
Dodatkowo odczyt portu B daje wartość 78 (duża litera N). Obecność tych danych
jednoznacznie wskazuje na obecność modułu oraz obsadę (jeden albo dwa układy).
Uprzednio należy jednak zlutować odpowiednie pola jumperów konfiguracyjnych.

    Moduł ma możliwość zamontowania jednego bądź dwóch scalaków YM/AY, co daje
zasoby w postaci 6 kanałów dźwiękowych grających w systemie tzw. 'polskiego stereo',
tzn. kanał A gra w lewym kanale, kanał B gra w środku a kanał C w prawym kanale. Tak
jest dla obydwóch zainstalowanych układów co ma sens, ponieważ sposób odtwarzania
nie zależy od tego czy jest jeden, bądź czy są dwa układy.

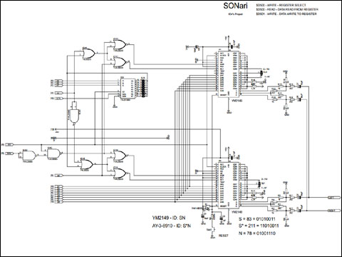
Mapa pamięci:

Układ 1

$D500  - zapis   -   wybór rejestru
$D500  - odczyt -   odczyt danych z uprzednio wybranego rejestru
$D501  - zapis   -   zapis danej do uprzednio wybranego rejestru

Układ 2

$D502  - zapis   -   wybór rejestru
$D502  - odczyt -   odczyt danych z uprzednio wybranego rejestru
$D503  - zapis   -   zapis danej do uprzednio wybranego rejestru

    Taka adresacja obowiązuje w przypadku gdy wybierzemy lutując solderjumper obszar
adresowy zaczynający się od $D500. Mając do dyspozycji dekoder adresowy można
wybrać jeden z ośmiu obszarów po $20 bajtów lutując wybrany solderjumper. W każdym
przypadku adresy są wielokrotnością $20.

    Całość zmieściła się na stosowanym przeze mnie PCB w formacie Cartridge. Na
schemacie można wydzielić w zasadzie trzy części: układy sterujące, generatory
oraz układy wyjściowe. Taktowanie generatorów odbywa się bezpośrednio z Atari
impulsami zegara systemowego Phi2 - 1.77 MHz, co jest wartością używaną przez
moduły dla ZX Spectrum i takie rozwiązanie okazało się w tym przypadku najlepsze.
Układy sterujące składają się z dekodera adresowego oraz bramek formujących
kombinacje sygnałów sterujących zapisem/odczytem BDIR oraz BC1. W układach
wyjściowych zaś zostały zastosowane wyłącznie elementy bierne, które tworzą prosty
mikser sygnałów wyjściowych audio w sygnał 'polskiego stereo'.

Schemat:


Płytka:

Galeria:

     SONari - prototyp z jednym układem YM/AY - projekt niekontynuowany

     Płytki SONari Stereo - 2x YM/AY z mikserem biernym oraz detekcją i dekoderem
obszarów adresowych. Gotowe do montażu.


     Prototyp SONari Stereo - MONO testuje swoimi pomysłami sprzęt i oprogramowanie.
W chwili tworzenia strony ten moduł jest jedynym działającym egzemplarzem.

 Dzięki MONO za soft!
 

Widoczne są na zdjęciu mostki wykonane kynarem ze względu na dodatkowe  przeróbki
oraz brak warstw na PCB. Dwie to - jak widać - za mało :)

Pliki EAGLE

     W zasadzie nie mam więcej do dodania. Najlepiej przejrzeć pliki z danymi na temat
YM2149 oraz AY-3-8910 . Jeśli chodzi o kwestie programowe - najlepiej pytać o to
MONO osobiście - jest często obecny na forum
ATARI.AREA. Ja zaś polecam
samodzielne wykonanie takiego modułu - to bardzo pouczające i dające sporo
dobrej rozrywki zajęcie. Słuchanie zaś BIT TUNES z SONari to miód na uszy :)

     Miłej zabawy!