START
_______________

Atari 8-bit

GAL-MMU

SIO2PC

Atari static RAM

Atari R-Flex

Atari Turbofreezer III

ARC by Pasiu/SSG

Atari Cartridge

Emulator USB Joy

SIDari

YAMari

SONari

SAMari

TIGari

NOMari

I/O Dekoder

CART+ECI expander

Atari Multicart XE

Atari Full S-RAM

Real Safety Gear

 

Atari TurboFreezer III

      Jest to wiekowy układ (1987r.) opracowany przez Bernharda Engla. Jest to jego
własność
. Również Matthias Reichl dołożył kilka ważnych komentarzy, które zostały uwzględnione przy montażu. Poniższe materiały znalazłem
w sieci i na wszelki
wypadek zamieszczam jako mirror. Przedstawiam również moje wykonanie freezera jako modułu wewnętrznego. Oryginalny Turbofreezer III XL jest dołączany do szyny PBI Atari XL. Poniższa wersja jest przeznaczona dla Atari 800XL w wersji płyty z linią opóźniającą, a także dla Atari 800XLF gdzie jest podobne ułożenie ANTICA względem
innych układów (GTIA oraz uP). Do innych wersji raczej nie będzie pasować ze względu na inne ułożenie układów scalonych (ANTIC), choć zawsze można użyć sporej garści przewodów i wlutować, np. do 65XE zgodnie ze schematem połączeń, używając do tego
przelotki układu DIP pod ANTICA..

Wszystko jest widoczne na zdjęciach poniżej.

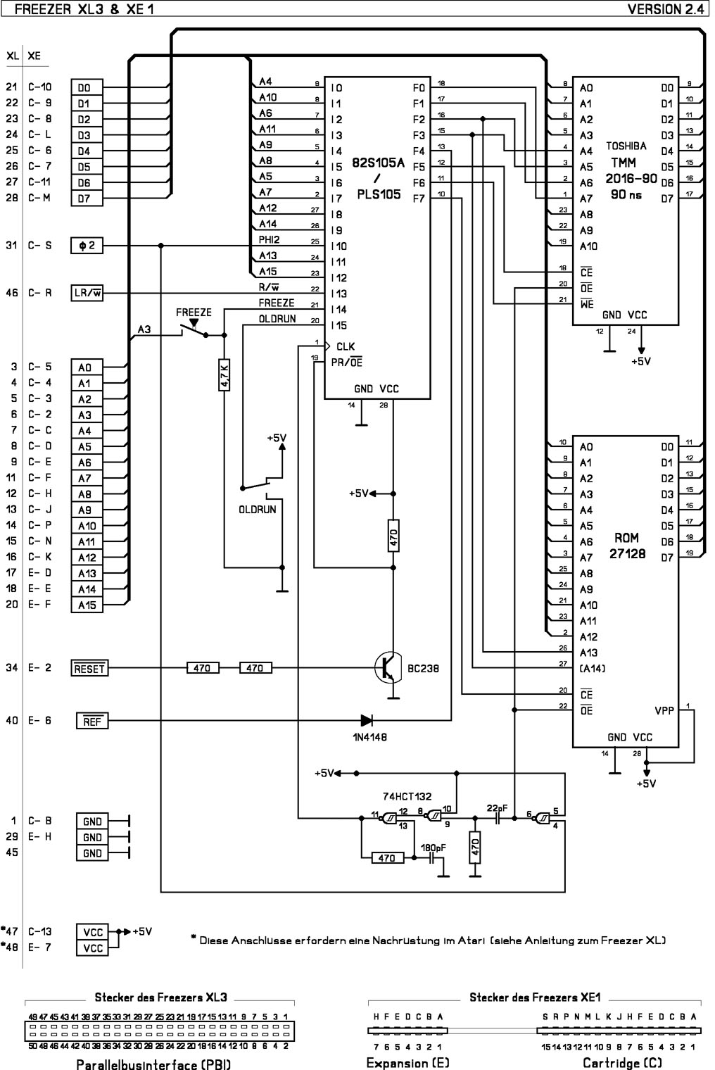
Oryginalny schemat (z modyfikacją M. Reichla):

 

Dwustronna PCB:

Zmontowana płytka:

Montaż:

Kondensator C24 z nalepioną izolacją w funkcji podpórki płytki freezera. "Podpórka" ta
znajduje się mniej więcej pod układem scalonym PLS105 i zapewnia stabilność.

Pliki:

Atari Turbofreezer III dokumentacja i oprogramowanie

Datasheets zastosowanych układów scalonych

Wydruk PCB przygotowany do termotransferu

Main screen TurboFreezera:

Ważne uwagi:

     Jako, że jest to naprawdę wiekowy układ - sporym problemem staje się zdobycie
układu PLS105, N82S105N. W Polsce raczej mało prawdopodobne. Ja osobiście
znalazłem je w USA za średnią cenę - ok. 30 USD - układ + przesyłka. Udało mi się znaleźć okazyjnie kilka sztuk w rozsądnej cenie. Może także udać się znalezienie
czegoś tańszego - kwestia być może szczęścia. Bardzo możliwe, że w Chinach da się
znaleźć te układy w rozsądnej cenie, ale ja do chińskich produkcji jakoś nie mam
zaufania. Po prostu... W Polsce zaś jakaś firma zażyczyła sobie 35 Euro co jest
zdecydowanym przegięciem. Do powyższej ceny trzeba doliczyć koszt programowania.
Sztuka to z reguły 10 PLN, no i trzeba znaleźć posiadacza programatora raczej z górnej półki.

     Zamieszczone pliki PCB do termotransferu należy sobie uprzednio w jakiś sposób wyskalować ponieważ niekoniecznie drukarka musi wydrukować obrazy we właściwych proporcjach. Ostatecznym testem rozmiarów może być przyłożenie do wydruku listwy
goldpinów. Jeżeli będą trafiać precyzyjnie w otwory pod układy scalone to będzie oznaczało, że skala jest OK. Płytkę wykonałem jako dwustronną - niestety bez
metalizacji otworów co mocno utrudnia montaż. Przede wszystkim - bardzo ciasne
ułożenie układów na płytce wymusza określoną kolejność wlutowywania pinów precyzyjnych oraz podstawek wykonanych z precyzyjnych listewek. Jest bardzo ważne
aby rozpocząć od wlutowania jako pierwszych pinów prec. z brzegu, potem podstawki
40-pin pod ANTIC, drugi rząd pinów precyzyjnych a potem po kolei rzędy podstawek kończąc na podstawkach pod 74HCT132 pamiętając o lutowaniu z góry i z dołu płytki. Pominięcie któregoś istotnego lutowania może spowodować niedziałanie sprzętu. Oczywistym jest, że płytka z metalizacją otworów znakomicie ułatwiłaby sprawę jednak koszt wykonania sztuki bądź dwóch byłby astronomicznie wysoki - więc nie ma co przeginać... Przy montażu trzeba po prostu bardzo uważać aby uniknąć błędów. Co ciekawe - ma olbrzymie znaczenie producent układu 74HCT132. Jest to spory problem, ponieważ układ ten pracuje w powielaczu częstotliwości zegara Phi2 i układy nie wszystkich producentów spełniają swoje zadanie. Osobiście próbowałem od trzech producentów i tylko układy od
HARRIS działają OK, tzn. nie ma zwiech bądź innych dziwacznych efektów. O tym pisze Matthias Reichl w readme zawartym w pliku z dokumentacją. Wszelkie poprawki zostały zawarte w projekcie.

     Turbofreezer działa nadzwyczaj sprawnie. Nie zauważyłem aby sprawiał jakieś problemy choć z pewnością trafi się coś skutecznie go blokującego. Przy korzystaniu z
niego (zapis, odczyt) czasami pojawia się zjawisko jakby "zamyślenia", czyli całość milknie na kilka sekund ale po tym czasie freezer kontynuuje swoje działanie.
     Zawsze chciałem mieć taki sprzęt i w końcu po wieeeeelu latach dopiąłem swego :)

Ogólnie rzecz biorąc - nadzwyczaj przydatny gadżet. Warto go mieć w Atari...

     Na koniec dwa zdjęcia Turbofreezera XL III wykonanego na wzór oryginału:

     Nie byłem w stanie dobrać sensownej obudowy więc układy pozostały na wierzchu.
Strona dolna została przykryta laminatem i oklejona nalepką z logo oraz został zrobiony
porządny kabelek zasilający z gniazda joy2. Nie został zamontowany przełącznik dla
OLDRUNNER ponieważ uznałem, że tego już nikt nie użyje. W jego miejscu jest zwora.

     Obsługa.

Zamrażanie następuje po naciśnięciu przycisku FREEZE. Powrót do programu - SPACE
Po wywołaniu Freezera pojawia się główne menu z funkcjami:

S - SAVE EXTERN - zapis zawartości zamrażarki na nośnik zewnętrzny

      C - Casette - na magnetofon
      B - Boot - na dysk autostartujacy
      F - File - na dysk jako plik pod DOS

E -  EXEC EXTERN - wczytanie zawartości zamrażarki z nośnika zewnętrznego. Wybór
      analogiczny jak przy funkcji SAVE EXTERN. Po wczytaniu następuje przywrócenie
      zapisanego stanu komputera

Z -  ZERO OS RAM - czyszczenie pamięci RAM znajdującej się pod ROM OS Atari

R - SAVE RAMDISK - zapis zawartości zamrażarki na ramdysk o ile istnieje np. 130XE

X - EXEC RAMDISK - odczyt z ramdysku i przywrócenie stanu komputera

D - DOS/DEBUGGER - przejście do DOS i Debuggera

     Komendy DOSa i Debuggera

DOS:

DIR - odczyt katalogu dysku
DIR nazwa - odczyt plików nazwa z katalogu
U - wczytuje do bufora sektory dysku nr $169 i $16A (directory)
DEL nazwa - usunięcie pliku nazwa z dysku
FMS - format dysku w pojedyńczej gęstości
FME - format dysku w rozszerzonej gęstości
FMD - format dysku w podwójnej gęstości
LOC nazwa - zabezpieczenie pliku nazwa
UNL nazwa - odbezpieczenie pliku nazwa
REN nazwa1,nazwa2 - zmiana nazwy pliku
LOA nazwa - ładuje plik nazwa do pamięci bez uruchamiania
SAV nazwa,HEX1,HEX2 - zapisuje obszar pamięci od HEX1 do HEX2 do pliku nazwa

Debugger:

D addr1,addr2 - wyświetla zawartość pamięci od adresu addr1 do adresu addr2
Q - wyjście z Debuggera do menu
S - zatrzymuje wyświetlanie jak CONTROL-1
R - wyświetla zawartość rejestrów procesora
R<byte,byte - zmienia rejestry procesora
L addr1,addr2 - dizassembluje pamięć od adresu addr1 do addr2
G addr - zmienia adres powrotu do przerwanego programu
SR numer - wczytuje sektor o podanym numerze do bufora
SW numer - zapisuje zawartość bufora do sektora o podanym numerze
C addr<byte,byte - zmienia zawartość pamięci pod adresem addr

Bufor dla komend U, SR, SW znajduje sie od adresu $D100 i najprawdopodobniej bedzie
kolidował z NEW DEVICES, np. Karin Maxi.

Wszystkie liczby należy podawać hexadecymalnie.